Wiring Diagram Model Es12j33b A Friedrich

Fan blade striking chassis.
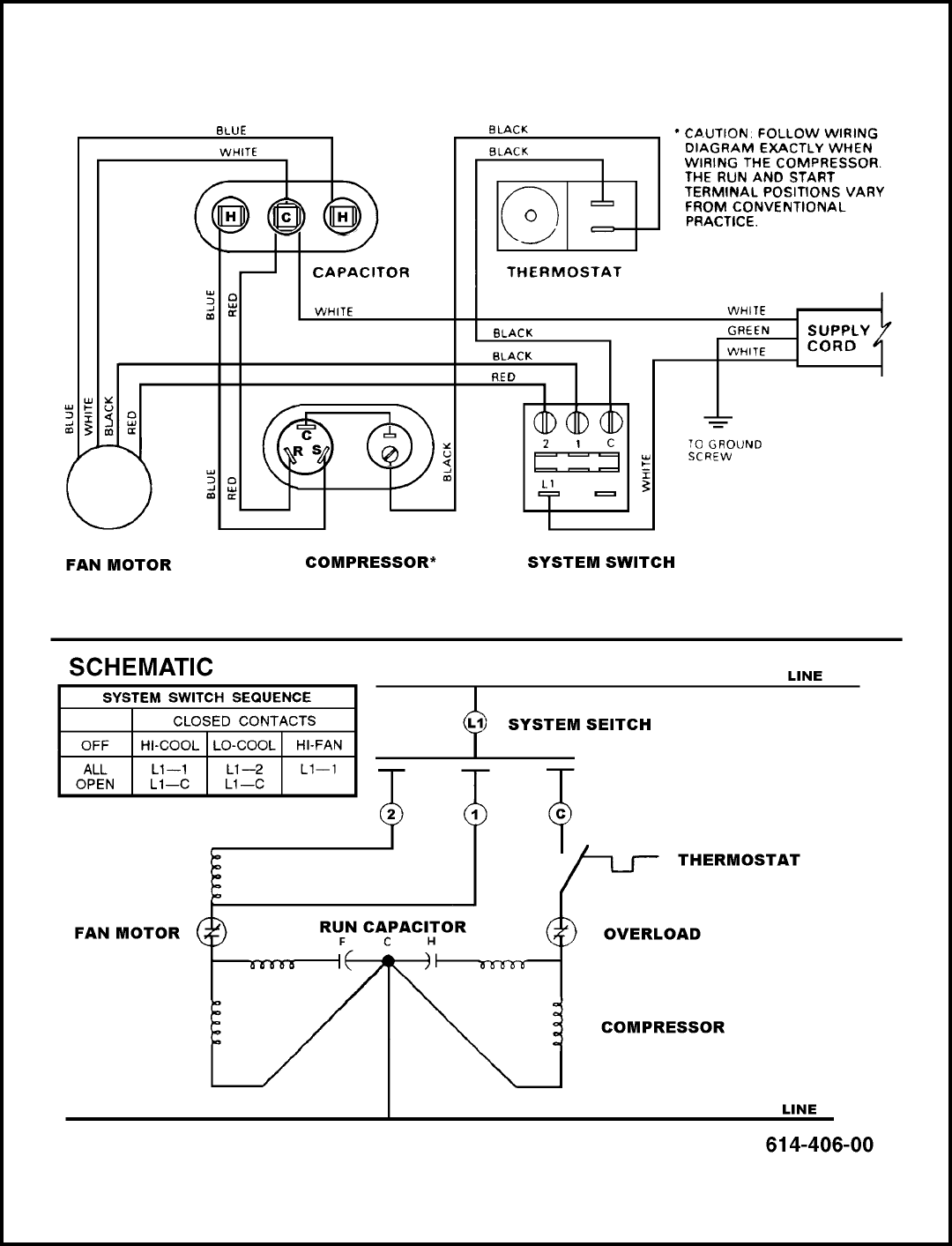
Wiring diagram model es12j33b a friedrich. Friedrich air conditioning co. Air conditioner should be on separate circuit for proper voltage and be fused separately. Find it all here. Parts lists diagrams owners manuals and photos available to help find your replacement parts.
Improperly mounted or loose cabinet parts. Post office box 1540 san antonio texas 78295 1540 4200 n. Select your model from 1227 friedrich air conditioners. The es model is slightly quieter than the sm but it is smaller so its to be expected.
Friedrich es12n33b 12 000 btu 230 volt 208 volt 11 3 eer kuhl series room air conditioner with electric heat by. Search by product name model number category or even keywords. Refer to appropriate wiring diagram. Page 38 problem possible cause poorly installed unit.
Need more specific support. I wish i could give it 4 5 stars instead of 5 because the only thing that was somewhat disappointing is the wifi capabilities. View online or download friedrich es12j33 service parts manual. Please allow 7 business days for your order to be shipped.
Friedrich kuhl es12n33 series manuals manuals and user guides for friedrich kuhl es12n33 series. Technical support contact information. We have manuals guides and of course parts for common es12j33b a problems. Friedrich es12l33 12 100 btu room air conditioner with electric heat 3 cooling 3 heating speeds mechanical controls and 320 cfm room air circulation for the best aj madison experience javascript needs to be enabled in your browser.
Contact us we re happy to help. We have 1 friedrich kuhl es12n33 series manual available for free pdf download. Looking for a specific manual brochure energy guide or video. Friedrich es12j33 pdf user manuals.
Check for other appliances on circuit.